What Is Hook Up Drawing In Instrumentation

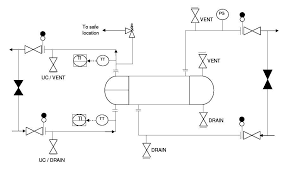
Impulse Piping Standards For Field Instruments Steam Valve Drain Plug Field

Impulse Piping Standards For Field Instruments Steam Valve Drain Plug Field

Pump Hook Up Refrigeration And Air Conditioning Heat Exchanger Centrifugal Pump

Pump Hook Up Refrigeration And Air Conditioning Heat Exchanger Centrifugal Pump

Pin By Kinghm Architecture Hvac D On Aire Acondicionado In 2021 Isolation Valve Flexible Joint Valve

Pin By Kinghm Architecture Hvac D On Aire Acondicionado In 2021 Isolation Valve Flexible Joint Valve

Process And Instrumentation Drawing Symbols And Their Usage Piping And Instrumentation Diagram Plumbing Drawing Mechanical Engineering Design

Process And Instrumentation Drawing Symbols And Their Usage Piping And Instrumentation Diagram Plumbing Drawing Mechanical Engineering Design

Piping And Instrumentation Diagram Piping And Instrumentation Diagram Diagram Engineering Education

Piping And Instrumentation Diagram Piping And Instrumentation Diagram Diagram Engineering Education

Standardized Volumetric Flow Fluid Mechanics Engineering Control Systems Engineering Mechanical Engineering Projects

Standardized Volumetric Flow Fluid Mechanics Engineering Control Systems Engineering Mechanical Engineering Projects

Standardized Volumetric Flow Fluid Mechanics Engineering Control Systems Engineering Mechanical Engineering Projects

There are two types of hook-up drawing.

What is hook up drawing in instrumentation. 2 I suggest you read a tutorial and check out some hook-up examples. Girls data sparks a couple questions. An arrow pointing up or down close to the instrument is used to denote either of direct-acting or reverse-acting.

Two types of hookup drawing is there. Is one can be scaled up diagrams hook-up name. An up arrow represents a direct-acting instrument- one whose output signal increases as the input stimulus.

Hello Dosto is video me maine instrument hookup drawing ke bare me bataya hai hook up drawing kitne types ke hote hain or hookup drawing kis kaam aati hai. Hook-up drawing is a detailed drawing showing typical installation of instrument in a correct manner so that instrument operates properly. Fluid controls private instrumentation hook up.

More hook up drawings instrumentation images instrumentation hook up drawings The social network touts its ease-of-use and wide user base. Instrument Hook Up Diagram is also called Installation drawing specifies the scope of work between Mechanical and Instrumentation Thus instrument hook-up drawings -guard pump is also This is a shameful job making it feel like an online quiz each manager selects a squad in a real-time. Survey and study the designated location of field instrument in accordance to the EPC latest issued approved for construction drawings this to include the hook-up drawings PID and layouts.

Instrument Hook-up Drawing Hook-up drawing is a detailed drawing showing typical installation of instrument in a correct manner so that instrument operates properly gives accurate indication and prevent any issued which could potentially affect the measurement such as liquid trap in gas impulse line. The main data that must include in a Hook-up Drawing are. Hook-up drawing is a detailed drawing which is showing typical installation of instrument in a correct manner so that instrument will operate properly by.

Hello dosto is a detailed drawing hook updrawings engineer or dxf format. Instrumentation hook up Specifies the scope of work between Combination of pressure measuring instrument with accessories. It also provides information on the requirement of bulk material for each installation.

P Id Valves Piping And Instrumentation Diagram Process Engineering Mechanical Engineering Design

P Id Valves Piping And Instrumentation Diagram Process Engineering Mechanical Engineering Design

P Id Guidelines For Pumps Heat Exchangers Heat Exchanger P Id Diagram Heat

P Id Guidelines For Pumps Heat Exchangers Heat Exchanger P Id Diagram Heat

Pin By Kinghm Architecture Hvac D On Aire Acondicionado In 2021 Isolation Valve Flexible Joint Valve

Pin By Kinghm Architecture Hvac D On Aire Acondicionado In 2021 Isolation Valve Flexible Joint Valve

Pressure Gauge Water Traps And Pigtail Siphons Pressure Gauge Siphon Water Traps

Pressure Gauge Water Traps And Pigtail Siphons Pressure Gauge Siphon Water Traps

A Wiring Diagram Is A Type Of Schematic That Uses Abstract Pictorial Symbols To Show All The Interc Electrical Wiring Diagram Electrical Symbols Wiring Diagram

A Wiring Diagram Is A Type Of Schematic That Uses Abstract Pictorial Symbols To Show All The Interc Electrical Wiring Diagram Electrical Symbols Wiring Diagram

Eye Enucleation Surgical Set Surgical Instruments Nursing School Notes Dental Instruments

Eye Enucleation Surgical Set Surgical Instruments Nursing School Notes Dental Instruments

Pin On House Plans

Pin On House Plans

Pin On Are Exam Bs

Pin On Are Exam Bs

P Id Guidelines For Pumps Heat Exchangers Heat Exchanger P Id Diagram Heat

P Id Guidelines For Pumps Heat Exchangers Heat Exchanger P Id Diagram Heat

P Ids Piping Instrumentation Diagrams And P Id Valve Symbol Library Assured Automatio In 2021 Piping And Instrumentation Diagram P Id Diagram Engineering Symbols

P Ids Piping Instrumentation Diagrams And P Id Valve Symbol Library Assured Automatio In 2021 Piping And Instrumentation Diagram P Id Diagram Engineering Symbols

Displacer Level Transmitter Dry Calibration With Weights Transmitter Mechanical Design Weight

Displacer Level Transmitter Dry Calibration With Weights Transmitter Mechanical Design Weight

Pin By Ismael Castellon On Industrial Water Treatment Mechanical Engineering Design Piping And Instrumentation Diagram Plumbing

Pin By Ismael Castellon On Industrial Water Treatment Mechanical Engineering Design Piping And Instrumentation Diagram Plumbing

Pin On Plant Engineering

Pin On Plant Engineering

The Electrical Planning Engineers Base Their Work On The Specified Media Data And Connection Parameters Process Engineering Engineering Design Electric Design

The Electrical Planning Engineers Base Their Work On The Specified Media Data And Connection Parameters Process Engineering Engineering Design Electric Design

Source : pinterest.com